Схема изготовления блока АВР для генератора своими руками

Изготовление блока АВР для генератораСреди огромного разнообразия источников энергии большую популярность получили генераторы электрического тока. Такие агрегаты всё чаще применяются в загородных домах и на дачах, а также во многих других местах, где есть проблемы со светом. Именно поэтому потребители нередко приобретают качественные блоки АВР для генераторов, созданные для автоматического включения резервного питания.

Содержание
  • Характеристика агрегата
  • Принцип работы
  • Самостоятельное изготовление блока АВР
  • Отличительные функции
  • Дополнительные временные задержки

Характеристика агрегата

Устройство АВР — это средство автоматического включения резервного питания, представленное в виде высококачественного генератора, вырабатывающего ток, если внезапно пропало централизованное электроснабжение. Основная задача блока состоит в том, чтобы своевременно и как можно быстрее переключать нагрузки между двумя источниками.

Характеристика блока АВРНекоторые модели АВР разработаны так, что все настройки потребитель должен вносить самостоятельно, но чаще всего в продаже можно встретить оборудование, работающее в автоматическом режиме. Активация устройства происходит в тот момент, когда поступает сигнал о потере напряжения. В быту использование такого агрегата имеет множество положительных отзывов.

Блок АВР запрограммирован таким образом, что его работа зависит от уровня напряжения на определённом объекте, этот пункт контролируется первичной обмоткой. Наличие специального переключателя обеспечивает надёжную изоляцию генератора от негативного воздействия переменного тока, который проникает из общей электросети. В этот промежуток времени источник бесперебойного питания находится во включенном состоянии, что гарантирует стабильную подачу временного питания всем потребителям. Слаженная работа генератора с АВР осуществляется по следующей схеме:

  1. После прекращения подачи электроэнергии через блок к источнику бесперебойного питания поступает команда о начале работы.
  2. Характеристика блока АВР для генератораКогда устройство получит ответ о том, что генератор полностью готов к выполнению своей основной функции, АВР осуществляет его соединение с домашней электросетью.
  3. С возобновлением централизованной подачи тока в частный дом на автоматический ввод резерва поступает сигнал о том, что резервное устройство должно быть отключено.
  4. Проводка между домашней сетью и генератором одновременно переключается в автоматическом режиме.

Если специалист обладает необходимым опытом, то он может выполнить индивидуальную настройку переключений, чтобы обеспечить электроэнергией только самые важные участки.

В качестве приоритетных объектов назначают системы отопления помещений, охлаждающее оборудование и другие схемы.

Для мощных резервных установок можно смело применять более сложные распределения электроэнергии, которые будут формировать мягкую нагрузку, плавно переходящую из синхронизированного агрегата и обратно. Сами производители утверждают, что такие генераторы всё чаще применяются в тех ситуациях, когда нужно сократить итоговую величину пиковых нагрузок.

Принцип работы

За несколько лет на рынке появилось множество разнообразных агрегатов для автоматического резервирования, которые оснащаются мощным микропроцессорным контроллером. Несмотря на огромный ассортимент, наибольшим спросом пользуются модели с управляющим реле-контроллером. Устройство непрерывно анализирует сигналы датчиков напряжения, а также своевременно обнаруживает сбой в питании и инициирует процедуру быстрого запуска генератора.

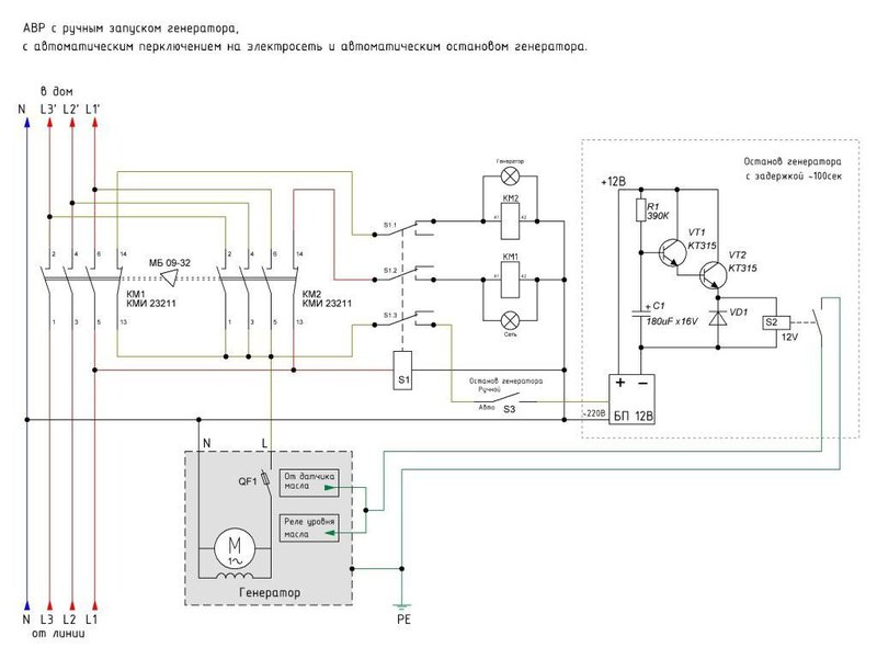
Схема изготовления блока АВР

Если начинающий мастер будет рассматривать схему подключения АВР с точки зрения электротехники, то эта задача может показаться слишком сложной. Всё дело в том, что различные технические сложности и неизбежные временные задержки затрудняют мгновенное получение резервной электроэнергии. Чтобы такое оборудование прекрасно справлялось со своими основными задачами и не подводило в самый ответственный момент, нужно заранее ознакомиться с его функциональными возможностями:

  1. Современные модели АВР могут использоваться не только с бензиновыми, электрическими, газовыми, но и с дизельными генераторами.
  2. Генератор для домаПользователь всегда может выбрать наиболее подходящий тип резервной сети — однофазную или трёхфазную.
  3. В системе предусмотрен постоянный контроль температуры двигателя.
  4. Обеспечение полного цикла работы резервного источника: автоматизированный запуск генератора в тот момент, когда исчезло централизованное электроснабжение или уровень напряжения превысил все допустимые показатели. Предусмотрены многочисленные полезные функции, которые непрерывно контролируют работу генератора, защищают его от перегрузки. При появлении основного электричества происходит остановка и последующее охлаждение бесперебойного источника.
  5. Наличие тестового еженедельного запуска генератора (мастер может настроить точную дату и время для проведения этой процедуры).
  6. Удобное управление приводом воздушной заслонки.
  7. GSM-модем для АВРВсегда можно активировать экономный режим работы оборудования.
  8. Фиксированный контроль напряжения аккумуляторных батарей. Эта функция позволяет запускать генератор только при полной разрядке АКБ генератора.
  9. Некоторые модели АВР обладают расширенной функциональностью для подключения вспомогательных модулей: GSM-модем, БИП.
  10. Качественный счётчик, который показывает оставшееся время до проведения планового технического обслуживания.

Самостоятельное изготовление блока АВР

Качественный автоматический ввод резерва для генератора отличается высокой стоимостью, поэтому многие домашние мастера решают изготовить это устройство своими руками, используя те самые детали, что и в стандартных заводских агрегатах. Основной и самой дорогой частью является многофункциональный контроллер.

Для обеспечения силовой части мастера задействуют контакторы, которые используются для гарантированного переключения с главной линии на локальную сеть. Чтобы компактно разместить все детали, нужно подготовить довольно вместительный шкаф или же щит, который больше всего будет подходить по размеру к изготавливаемому агрегату.

Традиционная схема АВР всегда оснащается автоматизированным контролирующим механизмом, который работает за счёт нормального постоянного напряжения. Качественная реализация этой идеи возложена на блок питания. Чаще всего специалисты применяют стандартный аккумулятор повышенной мощности, так как при повышенных нагрузках маломощный агрегат быстро разряжается.

Блок управления АВРИменно блок питания контролирует уровень выходящего напряжения. Стоит отметить, что все комплектующие детали нужно покупать исключительно в проверенных торговых магазинах, отдавая своё предпочтение известным производителям. Чтобы во время сборки не допустить самых распространённых ошибок, необходимо использовать профессиональную схему АВР для генератора. Своими руками можно изготовить высококачественную модель, которая будет отвечать всем эксплуатационным требованиям.

Выбирая контроллер, необходимо проверить наличие инверсной воздушной заслонки. Этот узел особенно полезен в тех ситуациях, когда потребитель использует генератор с механической заслонкой.

Покупая прочные контакторы, нужно ориентироваться на показатели пропускной способности. Когда в оборудовании отсутствует электромеханическая защита, её нужно приобрести отдельно.

Когда все элементы есть в наличии, можно смело приступать к изготовлению АВР. Начинать нужно с монтажа всех элементов и узлов во внутренний отсек электрического щита. Этот процесс должен происходить таким образом, чтобы не образовались пересечения между проводниками, а все контакты и клеммы были легкодоступны. Далее происходит подключение силовой части и контроллеров.

Параллельное включение резервного генератора с централизованной электросетью считается недопустимым. В противном случае бесперебойный источник питания может быть сильно повреждён вплоть до полной поломки всех узлов. Чтобы оградить оборудование от столь негативных последствий, нужно приобрести специальные щиты, которые обеспечивают как ручное, так и автоматическое переключение на ввод резерва. В продаже можно встретить универсальные разновидности сильноточных коммутаторов нагрузки, а также многофункциональные автоматические регуляторы напряжения используемого генератора.

В процессе подключения обязательно учитывается наличие двух мощных кабелей, которые входят в щит автоматического резерва. Один из них должен быть рассчитан на основную сеть, а второй — на резервную линию электросети. Их поочерёдное использование обусловлено различными алгоритмами работы оборудования. Но на выходе к потребителю протягивается только один силовой кабель.

Отличительные функции

Современные блоки АВР обеспечивают автоматический запуск генератора в случае пропадания напряжения на основной линии. При этом такой агрегат управляет работой стартера, топливным клапаном, предпусковым подогревом свечи установки и приводом воздушной заслонки. Когда напряжение на основной линии восстанавливается, АВР самостоятельно отключает подачу нагрузки от генератора, за счёт чего происходит постепенное охлаждение всей установки. Помимо этого, автоматический ввод резерва отличается и другими функциями:

  1. Зарядка для генератора В состав блока обязательно входит зарядное устройство аккумуляторной батареи генератора.
  2. Некоторые модели позволяют контролировать температуру картера двигателя бензиновой установки с целью непрерывного управления воздушной заслонкой в зависимости от уровня нагрева двигателя. Благодаря такой функции предотвращается перегрев основного рабочего узла.
  3. Более дорогие модели оснащаются мощными аккумуляторами, которые хорошо справляются с большими нагрузками.
  4. Блок АВР можно подключить к персональному компьютеру (интерфейс RS 485). Пользователь может выполнить точную настройку констант и параметров, которые будут считывать все текущие измерения.
  5. Установка GSM-модема позволит дистанционно запускать и останавливать генератор через SMS-сообщения. Специалист может в удобное для себя время контролировать режим работы блока, а также считывать актуальные телеметрические данные.
  6. Наличие встроенного байпаса. Когда из строя выходит основной управляющий контроллер, генератор можно запустить и самостоятельно.
  7. Наличие кнопки «Аварийный стоп». Генератор может быть остановлен в принудительном порядке, если произошла непредвиденная ситуация.

Дополнительные временные задержки

Блок АВР для генератораКогда основное питание восстановлено, то небольшая задержка просто необходима, так как это позволит убедиться в достаточной нагрузке для отключения резервного источника. Чаще всего ее продолжительность варьируется от 1 до 30 минут. АВР должна автоматически обойти существующую временную задержку и вернуться к основной линии электросети. Помимо этого, оборудование нуждается в охлаждении двигателя. Всё это время система управления контролирует разгруженный мотор до полной его остановки.

Опытные мастера утверждают, что лучше всего переключать нагрузку на резервный генератор в тот момент, когда достигнуты соответствующие уровни частоты и напряжения. В редких случаях конечный потребитель хочет добиться последовательного переключения на резервный генератор.

Чтобы достичь такого эффекта от установки, нужно обустроить сразу несколько схем АВР для бесперебойного источника электроэнергии, которые срабатывают с индивидуальными временными задержками. Только в этом случае все нагрузки могут быть подключены к генератору в любом порядке. Главное, чтобы все детали были качественными и отлично выполняли поставленные задачи.

Ссылка на основную публикацию