Применение альтернативных источников энергии позволяет не только экономить значительные денежные средства при оплате коммунальных платежей, но, в некоторых случаях, позволяет минимизировать монтажные работы по энергообеспечению различных электрических приборов и механизмов. 

Достоинства солнечных светильников
К основным положительным моментам использования садовых светильников, оснащённых солнечной батареей, относятся:
- Автономность использования осветительного прибора.
- Стоимость солнечной энергии — 0 рублей.
- Садовые светильники и фонари не зависят от графика подачи электроэнергии по электрическим сетям 220 В.
- Садовые светильники на солнечных батареях выполняют эстетическую функцию.
Первый пункт особенно важен, когда необходимо оборудовать осветительными приборами приусадебный участок большой площади. В этом случае, не только удаётся сократить время монтажных работ за счёт отсутствия необходимости в подключении электрического кабеля, но и значительно уменьшить финансовые затраты, по той же причине.

Солнечный свет не требует оплаты или налоговых отчислений в бюджет страны, поэтому использование таких устройств, особенно в большом количестве, позволяет экономить большую сумму рублей в год на оплате счетов за электроэнергию.
При плановом или аварийном отключении электроэнергии, светильники и фонари на солнечных батареях, позволяют ввести в заблуждение соседей, которые причину отключения электроэнергии будут искать в собственной электропроводке.


Такие приборы могут использоваться не только для освещения прилегающей территории, но и с декоративными целями. Применение различных цветных фигурок, которые в ночное время «появляются» в саду или во дворе, позволяет украсить приусадебный участок, и получить фантастический релаксирующий эффект от созерцания такой картины.
Недостатки фонарей на солнечной энергии
Такие полезные для домашнего хозяйства светильники и фонари на солнечных батареях, имеют не только достоинства, но и недостатки. К минусам использования таких устройств относятся:
- Большая часть реализуемых садовых светильников имеют небольшую мощность запаса электрического тока, поэтому используются исключительно в качестве декоративной подсветки.
- Светильники на солнечных батареях, необходимо размещать только на солнечных участках.
- Светильники, которые устанавливаются на грунте, могут быть легко похищены злоумышленниками.
Увеличения мощности осветительных приборов можно добиться с помощью отдельного модуля солнечных батарей, и аккумулятора большей мощности. Некоторые дачники изготавливают светильники на солнечной батарее собственными руками. Такие самодельные конструкции, позволяют отделить осветительную часть прибора от энергонакопительной, которая может быть вынесена за пределы участка с низкой освещённостью или поднята над препятствием, которое закрывает солнце от батареи.


Если в тандеме с солнечным элементом использовать аккумулятор большей ёмкости, то решится проблема освещения такими устройствами в ночное время, когда которому периоду предшествовали пасмурные дни. Накопленная энергия аккумулятора позволит работать устройству в течение нескольких ночей, даже при условии недостаточного зарядного тока поступающего от солнечного элемента.
Чтобы уменьшить вероятность воровства светильников, которые устанавливаются в грунт, при оставлении дачного участка на продолжительное время, устройства следует убирать в надёжное место.
Устройство светильника на солнечной батарее
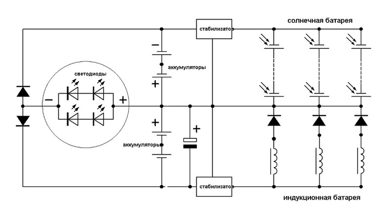
Уличные светильники на солнечной батарее состоят из самой солнечной батареи, светодиодов, аккумуляторов и схемы управления этим устройством.
Солнечная батарея собирает энергию солнца и преобразует ее в электрическую энергию. Далее эта энергия в светлое время суток накапливается в аккумуляторах. В темное время суток светодиоды с помощью энергии, накопленной аккумуляторами преобразуют электрическую энергию в световую. Всем этим процессом руководит электронная схема.
Элементарная схема светильника на солнечной батарее изображена на рисунке:

Зная конструкцию этих устройств и имея некоторые навыки работы с радиоэлементами можно отремонтировать светильник на солнечной батарее своими руками.
Светильники уличные «Космос»
Среди огромного разнообразия устройств для освещения, светильники на солнечных батареях космос, являются наиболее востребованными у населения. Такие устройства имеют небольшую стоимость, а качество изделий находится на очень высоком уровне.
Наиболее популярные модели:
-
Космос КОС SOL 220 — многофункциональный светильник на солнечных батарейках, оснащённый 3 мощными светодиодами белого цвета. Мощности данного осветительного блока достаточно для полноценной замены стандартной электрической лампочки. Прибор оснащён датчиком движения, поэтому расходование электрической ёмкости аккумуляторной батареи происходит в очень экономном режиме, что позволяет эффективно использовать светильник даже в зимнее время.


-
Космос КОС SOL 219 — особенность этой модели заключается в том, что солнечная панель может быть удалена от светильника на расстояние до 6 метров. Конструкция такого типа позволяет разместить батарею на наиболее освещённом участке, а осветительный элемент может быть установлен, в затенённом месте или в помещении. Данный светильник позволяет полностью заменить мощную электрическую лампочку, даже в тех местах, где подключение к стационарной электрической сети невозможна.

-
Космос КОС SOL 111 — светильник для ландшафтного дизайна на солнечной батарее. Устройство изготовлено в виде собаки с фонарём. Изделие оснащается датчиком движения, который включает светодиодное освещение и звуковой сигнал в виде лаяния. Такой светильник позволяет не только осуществить подсветку приусадебного участка, но и выполняет охранную функцию.


-
Космос КОС SOL 422 — светильник предназначен для подсветки садовых дорожек. Устанавливается прибор в грунт непосредственно возле места, которое необходимо подсветить. Несмотря на небольшое энергопотребление для обеспечения работы светильника на протяжении всего времени суток, когда отсутствует естественное освещение, прибор следует устанавливать на максимально освещённые участки.


Заключение
Светильники на солнечных батареях для дачи, с каждым годом становятся всё популярнее. Особенно востребованы такие изделия в условиях, где нет возможности подключиться к сети переменного тока. Приборы не используют свинец в накопителях электрической энергии, поэтому их вес незначителен и позволяет закреплять устройство на любом основании.
Светильники на солнечной батарее для сада, обычно, выполняют декоративную функцию, но когда таких элементов освещения слишком много, то в установке дополнительного освещения, работающего от электрической сети, нет необходимости.
Обзор декоративного светильника на солнечной батарее видео расположено ниже
Солнечные элементы электроснабжения позволяют экономить немалое количество денежных средств, а учитывая высокий рабочий ресурс светодиодных элементов, такая экономия может длиться десятилетия.
Схемы, которые используются в светодиодных элементах — очень просты, поэтому при выходе из строя полупроводникового генератора света, можно легко осуществить ремонт осветительного прибора собственными силами.