Те работники которые выполняют работы в электроустановка не зависимо от класса напряжения (до 1000 В или выше 1000 В) знают что работы там выполняются по трем основным заданиям (документам): наряд, распоряжение, в порядке текущей эксплуатации.


Приветствую все посетителей сайта «Электрик в доме» и сегодняшнюю очередную статью я бы хотел посветить профессиональным электрикам и энергетикам. А конкретно тем людям, которые профессионально работают в энергетической сфере народного хозяйства. Как минимум эти люди меня поймут, а некоторым просто будет интересно (во всяком случае, я на это надеюсь).
Сегодня подробно рассмотрим, что такое наряд допуск для работы в электроустановках, зачем он вообще нужен, как оформляется и заполняется.
Что такое наряд допуск
Что такое вообще наряд допуск и зачем он нужен? Простыми словами это документ, по которому выполняется определенная работа в электроустановках. В этом документе указывается, какую конкретно работу необходимо сделать, сроки выполнения этой работы, кому поручено ее делать с полным перечнем по ФИО членов бригады, ну и конечно кто в бригаде старший, а точнее кто руководитель работ.


Также в наряде указываются меры безопасности по подготовки рабочего места (какие коммутационные аппараты отключены, где установлено заземление). Если электроустановка имеет связь с несколькими объектами (например, линия электропередач), то также указывается на каких объектах выполнено ее отключения и заземление.
В качестве примера выставляю скрин одного из основных правил всех энергетиков «Правила по Охране Труда при Эксплуатации Электроустановок», в котором четко прописано, что такое наряд допуск.


То есть, как вы поняли наряд это распоряжение, которое оформляется в письменном виде на специальном бланке. Зачем он вообще оформляется?
Оформление такого документа — необходимая мера безопасности, если проведение работ в электроустановке несет опасность для жизни и здоровья работников выполняющих работу.
Простыми словами если в электроустановку нельзя просто прийти и сделать определенную работу (потому что она находится под напряжением) оформляют письменный документ. В таком документе обязательно должны быть предусмотрены определенные меры по подготовки рабочего места. Эти меры включают в себя – снятие напряжения, установка заземление, вывешивание плакатов безопасности и т.п. Все эти меры как раз указываются в наряде допуске и доводятся до каждого работника при допуске под роспись.
Оформление наряда допуска в электроустановках
С тем, что основные работы в электроустановках выполняются по специальному бланку, мы разобрались. Теперь давайте разберем, как происходит само оформление наряда допуска в электроустановках.
Вот так выглядит бланк наряда допуска для работы в электроустановках:


Итак, бланк наряда допуска начинается со строчки «Меры безопасности согласованы» — здесь указывается фамилия, должность и подпись человека с которым эти меры согласованы. Как правило, это главный энергетик, начальник службы, подразделения, участка, цеха и т.п.
В строке «Предприятие» и «Подразделение» все просто — здесь указывается название предприятия и название подразделения, в котором будут выполняться работы. Согласитесь, предприятие может быть одно, а подразделений в нем несколько.
В строке «Наряд-Допуск № -» — здесь указывается порядковый номер наряда для данного объекта. На каждом объекте есть специальный журнал, называется «Журнал учета работ по нарядам и распоряжениям». В этом журнале ведется учет всех нарядов и распоряжений, каждой из которых заполняется под своим порядковым номером.
В строке «Руководителю работ» — указывается Фамилия, инициалы и группа по электробезопасности человека, который является руководителем работ в по данному наряду (в данной бригаде). Руководителя работ назначает работник выдающий наряд.
В строке «допускающему» — указывается Фамилия, инициалы и группа по электробезопасности человека, который будет допускать бригаду к работе. Как правило, это оперативный персонал объекта, который допущен к оперативному управлению и оперативным переключениям на объекте.
В строке «с членами бригады» — указывается Фамилия, инициалы и группа по электробезопасности всех работников которые входят в состав бригады.
В строке «поручается» — указывается тип работы или задание, которое поручается сделать по данному наряду.
В строках «Работу начать, Работу закончить» все просто — здесь указывается дата и время начала и окончания действия наряда. Если работа затягивается и в поставленный срок ее не удастся выполнить наряд-допуск необходимо продлить. Для этого есть специальная графа внизу бланка наряда. Но об этом немного позже.
Теперь друзья мы подошли к таблице №1, в которой указываются меры по подготовке рабочего места. Эта таблица разбита на две колонки, в первой колонке указывается наименование всех электроустановок, объектов и участков в которых производится отключение и заземление.


Во второй колонке (напротив с объектом) указывается уже конкретные коммутационные аппараты которые должны быть отключены и заземлены.
В строке «Отдельные указания» указывается дополнительные меры безопасности по подготовки рабочего места. Сюда входит ограждение рабочего места, вывешивание плакатов безопасности, соблюдение необходимых мер пожарной безопасности и т.п. Также в данной строке указывается определенные разрешения руководителю работ: разрешение на перевод бригады на другое рабочее место, разрешение повторно допускать бригаду, разрешение на оперирование коммутационными аппаратами и т.д.
Это далеко не все пункты которые здесь должны (могут) указываться, я указал лишь некоторые из них но в целом думаю понятно что сюда входит.
В строке «Наряд выдал» указывается дата и время выдачи наряда, подпись, фамилия и инициалы работника который выдал наряд.
Выше было написано если работы по наряду затягивается, то сроки действия наряда необходимо продлевать. Поэтому в строке «Наряд продлил по:» указывается дата и время продления, а также подпись и ФИО работника, который это сделал.
Оформление наряда допуска в электроустановках, а точнее заполнение его лицевой стороны окончено. Все пункты лицевой стороны заполняет работник, которое выдает наряд-допуск. Осталось оформить обратную сторону, а этим уже занимается работники, которые выполняют подготовку рабочего места и допуск.
Переворачиваем бланк наряда-допуска и что мы видим. На обратной стороне в самом верху имеется Таблица 2 которая называется «Разрешение на подготовку рабочих мест и на допуск».


Ее оформляют работники, которые подготавливают рабочее место и работники, которые допускают к работе. Например, работник подготавливающий рабочее место, берет разрешение на подготовку рабочего места у вышестоящего оперативного работника. В графе 1 — пишется должность и фамилия работника который дал разрешение, в графе 2 – указывается дата и время разрешения, в графе 3 – расписывается работник, который это разрешение получил.
С разрешением на допуск все прописывается аналогично. Работник, допускающий к работе, берет разрешение, пишет в графе 1 должность и фамилию кто разрешил, в графе 2 ставит дату и время, в графе 3 расписывается.
Чуть ниже таблицы 2 есть строка «Рабочие места подготовлены. Под напряжением остались:» Зачем она нужна и что сюда должно входить? К примеру бригада работает в ячейке высоковольтного выключателя, схема выключателя разобрана разъединителями и заземлена со всех сторон. На площадку выключателя можно подыматься и работать, так как он заземлен (в ремонте). Но со стороны питания (секции шин) и со стороны нагрузки (ЛЭП) есть напряжение. Бригаде запрещено приближаться к этим элементам.
Поэтому в наряде-допуске допускающий, перечисляет ближайшие элементы ремонтируемого присоединения, которые остались под напряжением, а также все соседние с рабочим местом токоведущие части, которые остаются под напряжением.
После того как руководитель работ и допускающий проверят подготовку рабочего места и убедятся в выполнении всех мет безопасности они оба расписываются под данной строкой.
Продолжаем разбирать наряд допуск для работы в электроустановках и дальше идет Таблица 3 которая называется «Инструктаж членов бригады при первичном допуске».
В этой таблице оформляется проведение целевого инструктажа при первичном допуске. Перед тем как бригада начнет работу необходимо донести до каждого работника суть всей работы, показать границы рабочего места, какие меры безопасности необходимо соблюдать, где находится ближайшее напряжение с рабочим местом и куда запрещено приближаться. В общем проводится инструктаж под роспись каждого работника.
Если наряд-допуск выдается на несколько рабочих дней (либо на один рабочий день), например утром начали работать, вечером закончили то в Таблице 4 «Ежедневный допуск к работе и ее окончание» как раз все это дело оформляется.
Если по так случилось что в течении рабочего дня необходимо изменить состав бригады (здесь имеется ввиду членов бригады) например добавить нового человека, или наоборот вывести из состава бригады того-то, то оформлять это необходимо в Таблице 5 «Изменения в составе бригады».
Когда работа полностью будет окончена, в наряде допуске необходимо оформить окончание работ, на профессиональном сленге это звучит как «закрыть наряд». Для этого руководитель работ пишет фамилию и должность кому сообщил об окончании работ (как правило это допускающий), ставит дату и время закрытия, подтверждая все своей подписью.
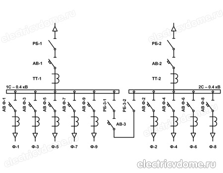
И чтобы все было понятно предлагаю сделать это, так сказать на живом примере. К примеру, есть две секции шин 0.4 кВ, одну из них нужно вывести. Однолинейная электрическая схема прилагается.


На схеме отображено две секции шин 0.4 кВ, первую секцию нужно вывести в ремонт для замены вводных трансформаторов тока ТТ-1. Обе секции рабочие и все отходящие присоединения, которые здесь показаны включены. От первой секции отходит пять фидеров (присоединений, так в энергетике называется отходящие линии от секций шин).
Для безопасного выполнения работ 1С-0.4 кВ необходимо вывести в ремонт. Для этого необходимо отключить все отходящие фидера, отключить вводной автомат, отключить рубильник, установить заземление на секции.
Но для того чтобы у нас все было по порядку давайте заполнять бланк наряда-допуска с самого начала.


Меры безопасности согласованы с Главным энергетиком Сергеев С.С. Предприятие, на котором выполняются работы «ОАО Лас-Вегас энерго» :))), подразделение «Ремонтный участок -1»
Итак, руководитель работ будет Иванов Иван Иванович с группой 5, допускающим будет – Петров Петр Петрович с группой 4. В бригаде будет два работника – Андреев Андрей Андреевич с группой 4 и Борисов Борис Борисович с группой 3.
В строке «поручается» обычно начинается запись с того где выполняется работа (на каком объекте) и что поручается сделать. Например, Подстанция «Энергетик» 110/10 кВ, РУ 0.4 кВ, 1С-0.4 кВ «Замена трансформаторов тока ТТ-1». Суть думаю понятна.
Затем в таблице «Меры по подготовке рабочего места» в графе 1 пишем название объекта (в нашем случае это Подстанция «Энергетик» 110/10 кВ), а в графе 2 что должно быть отключено и заземлено.
По схеме приведенной выше получается должен быть отключены все отходящие автоматы Ф-1, Ф-3, Ф-5, Ф-7, Ф-9, вводной автомат АВ-1, рубильник РБ-1. Со стороны 2С-0.4 кВ должен быть отключен секционный автомат АВ-3 и рубильник РБ-3-1. Также секцию нужно заземлить, для этого установим переносное заземление ПЗ-1.




В строках «Отдельные указания» можно прописать «В работе применять инструмент с изоляционным покрытием, зону рабочего места оградить вывесить плакаты безопасности».
Так основные поля заполнены, остался еще один из основных пунктов это прописать, что осталось под напряжением. В нашем случае получается: рубильник РБ-1 так как его контакты со стороны вводного кабель остаются под напряжением, секционирующий автомат АВ-3, вся вторая секция 0.4 кВ, ну и все отходящие присоединения (фидера) от первой секции, так как мы не знаем какая схема на другой стороне, у потребителей.
Поэтому в строках «…Под напряжением остались» пишем: РБ-1, АВ-3, 2С — 0.4 кВ, АВ Ф-1, АВ Ф-3, АВ Ф-5, АВ Ф-7, АВ Ф-9.

