

Если вы покупаете квартиру в старом доме или в новостройке, там уже будет проведено электричество и подключены розетки с выключателями. И до покупки недвижимости вы никак не сможете повлиять на их местоположение. Но как только вы становитесь собственником жилья, то имеете право переделать проводку в квартире своими руками совсем по-другому. Конечно же, это процесс длительный, сложный и материально затратный. Пытаясь как-то сэкономить, многие задаются вопросом – реально ли в новом жилье сделать всю электрическую часть самим? Реально, если вы не лентяи, неплохо учились в школе, дружите с физикой и электротехникой. Так что тема у нас сегодня актуальная – электропроводка в квартире своими руками. Пошаговая инструкция от составления схемы до монтажа проводов вам поможет.
Начало всех работ — схема


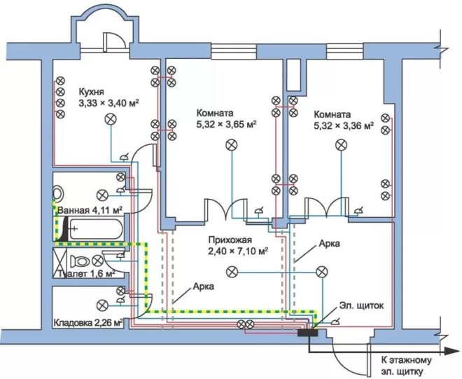
Хотелось бы начать этот раздел с аналогии. Что является основой для хорошего крепкого дома? Конечно же, фундамент. Так вот, своеобразным фундаментом надёжного и качественного электроснабжения является грамотно составленная схема электропроводки в квартире. Многие совершенно напрасно этим пренебрегают и на это есть веские причины:
- Во-первых, монтаж электропроводки в квартире вам будет делать гораздо легче, когда на схеме отображается практически конечный результат. Согласитесь, это довольно редко, когда на первом этапе ремонта люди могут представить себе, что получится в конце. А с электрической схемой это возможно, потому что на ней будут отображены все коммутационные аппараты, элементы освещения и стационарные бытовые электроприборы.
- Во-вторых, схема электрической проводки в квартире поможет вам составить чёткий план выполнения работ – с чего начать монтаж проводки, в каком направлении двигаться, что оставить на завершающий этап.
- В-третьих, когда у вас на руках есть готовая схема расположения элементов электрики в квартире, можно легко определиться с количеством материалов – розеток, выключателей, распределительных коробок, подрозетников, проводов, кабелей.
- И самое главное, когда уже будут полностью окончены монтажные и ремонтные работы, у вас останется схема разводки электропроводки в квартире. Ни в коем случае её не выбрасывайте. Если понадобится просверлить где-то в стене отверстие под картину или фоторамку, вы достанете схему и посмотрите, каков путь пролегания проводов, чтобы не напороться и не повредить токопроводящую жилу. Также многие заклеивают иногда распределительные коробки обоями, чтобы не портить внешний вид комнаты. Вообще-то этого делать нельзя, но если уж и заклеили, вы всегда сможете глянуть на схеме, где находится коробка. При необходимости каких-то работ, срежете кусочек обоев, получите доступ к коробке, а потом заклеите вновь.
Надеемся, мы популярно и доступно объяснили вам, что в мире электрики всё и всегда следует начинать со схемы. Теперь немного подробнее о том, как её правильно составить и что на ней должно быть отображено.
Составление схемы


Перед тем, как сделать схему, нужно собраться всей семьёй и хорошенько подумать о том, где у вас в квартире будут располагаться основные потребители электрической энергии:
- кондиционеры;
- электрические варочные панели и духовые шкафы;
- стиральная машина;
- холодильник и морозильная камера;
- посудомоечная машина, микроволновая печь;
- вытяжная принудительная вентиляция;
- котлы отопительной системы или водонагреватели.
Также не маловажную роль играет расположение мебели, особенно громоздкой. Чтобы не получилось потом так – ремонт закончен, мебель расставлена, а розетка оказалась за шкафом-купе, который уже обосновался на этом месте на многие годы. И тогда придётся прибегать к помощи переносок, только раньше хоть под коврами можно было провода прятать, а теперь это не модно, всё кругом паркет да ламинат. Так что этому вопросу уделите особенное внимание.


Дальше возьмите бумагу (лучше в клеточку), карандаш (желательно несколько разноцветных), линейку. Нарисуйте в двух экземплярах на бумаге план вашей квартиры с дверными и оконными проёмами, чтобы было проще возьмите технический паспорт и перенесите оттуда чертёж. Каждой комнате присвойте порядковый номер, например, если у вас схема электропроводки в однокомнатной квартире, пусть это выглядит так:
- Коридор (прихожая, холл).
- Ванная комната.
- Кухня.
- Зал (гостиная).
Если комнат больше, соответственно можете продолжить дальше нумерацию – спальня, детская, спортивная комната, также надо учесть кладовую, лоджию (если собираетесь и туда провести проводку осветительную) и т.д.
Теперь схематически отобразите на одном чертеже стационарную бытовую технику и мебель (в виде квадратиков и прямоугольников). Можно бытовую технику обозначить красным цветом, а мебель серым. На второй чертёж наносите места установки коммутационных аппаратов. То есть там, где на первом чертеже у вас обозначена бытовая техника, на втором в этих местах буду розетки.
Точно также на первом чертеже (где техника и мебель), нарисуйте крестики жёлтым цветом в местах установки светильников, бра, торшеров, люстр. Здесь вам удобно будет увидеть – где кровать, там значит прикроватный светильник; где диван или кресла, значит бра, под которым можно почитать и т.д. Затем перенесите все эти лампочки на электрическую схему. Заодно продумайте и отметьте места установки выключателей. Мысленно представьте себе, в какую сторону у вас будут открываться межкомнатные двери, чтобы потом выключатели не оказались за ними.
Сразу определитесь, возможно, в каком-то месте нужна установка розеточного блока (чаще всего это делают на кухонной рабочей панели), будет ли у вас в основной комнате групповое освещение или многорожковая люстра, тогда потребуется двухклавишный выключатель.
Наметьте на схеме место, где будет располагаться вводной распределительный щиток на квартиру.
Примеры того, как правильно составить схему, вроде бы получились доступные, надеемся, что сложностей с этим у вас не возникнет. Теперь разберёмся с количеством материалов.
Необходимые материалы


По составленным схемам посчитайте необходимое количество выключателей и розеток. Не забудьте, что под каждый из этих коммутационных аппаратов нужен подрозетник, если планируется прокладка скрытой электропроводки в квартире. Также посчитайте, сколько понадобится распределительных коробок.
Чтобы посчитать количество провода, лучше всего намеченные на схеме коммутационные аппараты и распределительные коробки перенести на реальные стены. Затем выполнить разметку стен, то есть в прямом смысле слова нарисовать между ними пути пролегания проводов, при помощи рулетки всё измерить и посчитать общее количество. Имейте в виду, что разводка электропроводки в квартире выполняется строго по вертикальным и горизонтальным линиям, никаких поворотов наискосок быть не должно.


По опыту профессиональных электриков для электропроводки квартиры из трёх комнат приобретайте 100 м трёхжильного провода сечением 1,5 мм2 (это будет прокладка осветительной проводки в квартире) и 100 м трёхжильного провода сечением 2,5 мм2 для запитки розеток.
Мощные электроприборы, типа водонагревателя или варочной панели, как правило, запитываются отдельной линией от вводного распределительного щитка через отдельный автомат. Для них лучше проложить трёхжильный провод сечением 4-6 мм2.
Ещё один важный нюанс, не забудьте посчитать провод с запасом на разделку жил в местах соединений и подключений коммутационных аппаратов. Принято оставлять запас провода на розетки, выключатели, светильники не менее 20 см. Если вы планируете в дальнейшем опустить потолки, то запас провода для светильников увеличьте до 50 см. На сборку распределительного щитка также оставляйте запас провода около 50 см.
Распределительный щиток
Проводка в любой квартире, выполняемая своими руками, начинается от распределительного щитка. Что он собою представляет? Это своего рода бокс, в котором монтируется счётчик электроэнергии и вся защитная автоматика.
Какие бывают щитки?


Этот коробок изготавливают из металла либо пластика. Каждый вариант имеет свои преимущества. Пластиковый щиток практичнее, так как мало весит, и к тому же внешне он выглядит привлекательно и эстетично. Металлический короб отличается долговечностью и надёжностью.
По способу крепления щитки бывают наружного и внутреннего исполнения. Наружный щиток (его по-другому называют накладной) навешивается на стену при помощи саморезов или дюбель-гвоздей. Это значительно облегчает работы по его монтажу, но в то же время такой вариант щитка отнимает свободное пространство в помещении. Внутренний или встраиваемый щиток требует монтажа специальной стенной ниши, но он не занимает комнатное свободное пространство.
Чем щиток укомплектовывают?
Что ещё понадобится для монтажа распределительного щитка, кроме самого бокса:
- Вводной автомат, он защищает всю квартирную сеть путём отключения в случае необходимости, к нему подходит питающий кабель на квартиру.


- DIN-рейка – это специальная металлическая пластина, на которую крепится вся автоматика.


- Счётчик электроэнергии, после выполнения всех монтажных работ, надо будет обязательно пригласить представителя энергосбыта, чтобы опломбировал прибор учёта.


- Шинки РЕ и N, на которых будут соединяться все нулевые и заземляющие проводники.


- Автоматические выключатели, они будут защищать определённую группу токоприёмников от короткого замыкания путём отключения при сверхтоках. Также при помощи автоматов можно будет принудительно в случае необходимости отключать ту или иную линию от общей сети.


- Устройства защитного отключения (УЗО), они не монтируются самостоятельно, а подключаются после автоматических выключателей. УЗО выполняет защитную функцию в случае, если корпус какого-то электрооборудования оказался под напряжением. В такой ситуации УЗО защищает человека от возможного поражения электрическим током. Можно использовать совмещённый вариант, который включает в себя автомат и УЗО – дифференциальные автоматы.


- Соединительные провода или распределительные гребёнки.
Чтобы определиться с количеством автоматов, необходимо рассчитать и распределить нагрузку в квартире.
Нагрузка в квартире
Современная электрика в квартире включает в себя огромное множество различных потребителей электроэнергии. Согласитесь, что бытовой техникой наши жилища буквально напичканы. Правилами и нормативными документами рекомендуется, перед тем, как провести проводку в квартире, разделить осветительную сеть и линию розеток от разных автоматов. Но с учётом того, какая сейчас нагрузка приходится на квартирную сеть, сажать все бытовые приборы на одну линию нельзя. Желательно равномерно распределить всё на несколько цепочек, запитанных от отдельных автоматов.


В таком разделении огромная практическая польза. Представьте, что повредилась электропроводка в квартире. Своими руками, без вызова электрика, вы решили разобраться, найти причину и устранить. Если на каждой линии установлена своя защита, причину аварийной ситуации вы найдёте легко (определите по отключенному положению автомата). И пока вы будете устранять на этой линии повреждение, все остальные потребители не останутся обесточенными, то есть холодильник продолжит холодить, а стиральная машинка стирать.
Рекомендуется выбирать автоматы следующей мощности:
- для осветительной нагрузки – 10 А;
- для розеток – 16 А;
- для подключения бытовой техники мощностью до 4,5 кВт – 20 А;
- для ввода на квартиру – 50 А.
Как разделить общую квартирную нагрузку по группам?
Во-первых, всех мощных потребителей электроэнергии желательно запитывать отдельной линией (стиральная машина, водонагреватель, посудомоечная машина, варочная плита и электрическая духовка, кондиционеры).
Во-вторых, розетки каждой комнаты хорошо было бы сделать отдельными группами (детская, взрослая спальня, зал, кабинет). Если уж так не получится, то кухонные розетки в любом случае надо запитывать через отдельную линию и автомат, потому что именно на кухне больше всего мощных бытовых приборов (хлебопечь, микроволновка, кофемашина, электрочайник, кухонный комбайн, блендер и т. п.)


Обязательно отдельной группой выполняется электроснабжение санузла, так как он относится к опасному помещению в плане электробезопасности (так называемая «мокрая» группа).
Отдельной группой выделяется освещение квартиры, но будет гораздо удобнее, если разделить по группам освещение каждой комнаты.
От того, каким образом вы сгруппируете всю нагрузку своей квартиры, будет зависеть количество необходимых автоматов и УЗО.
Монтаж проводки
Осталось определиться, какой тип проводки выбрать для своей квартиры. На сегодняшний день существует два способа:
- Открытый. Это когда все проводники будут проходить по стенным поверхностям, крепятся они в пластиковых кабельных каналах (или коробах). Такая прокладка требует гораздо меньше материальных затрат и физических усилий, но есть один существенный недостаток – получается не вполне эстетичный внешний вид помещения. Исключение составляет прокладка специального кабеля по фарфоровым изоляторам, когда дизайн квартиры выполнен в ретро-стиле, это сейчас очень модно и набирает популярность.


- Скрытый. При таком способе провода прокладываем в специальных бороздах на стенных поверхностях (в штробах). Чтобы проштробить понадобятся специальные приспособления, процесс трудоёмкий, отнимет много времени и сил. Но зато будут спрятаны все проводники.


Подготовительный этап
Согласно с вашим проектом наметьте на стенах пути прохождения проводов. Чтобы получилось всё идеально ровно, делайте это с помощью лазерного уровня или натянутого шнура. В щитке стоит счётчик, а после него автоматы по группам нагрузки. От этих автоматов провода должны прийти в первую распределительную коробку, а оттуда уже разойтись по всем остальным помещениям и комнатам. На входе в каждую комнату должна устанавливаться своя монтажная коробка.


Отметьте на стенах места расположения розеток, выключателей, распределительных коробок.
Есть один нюанс для открытого способа прокладки – стены должны быть идеально ровными, чтобы пластиковые короба ложились на стенную поверхность без перекосов. В случае прокладки по фарфоровым изоляторам это не обязательно, лёгкая кривизна стен не будет так заметна.
Для скрытого варианта надо сделать штробы по отмеченным линиям при помощи штробореза или болгарки. Можно воспользоваться перфоратором, но тогда штробы не получатся такими идеально ровными. Перфоратор подойдёт для монтажа отверстий под коробки и подрозетники, только понадобится специальная насадка – фреза (коронка) по бетону. Если у вас нет такого инструмента, покупать его будет весьма накладно, постарайтесь взять напрокат.
Открытая прокладка проводов
- Нарежьте пластиковые короба по размерам намеченных линий. Для этого воспользуйтесь строительным ножом либо ножовкой.
- Зафиксируйте короба на стенных поверхностях. Не советуем использовать клей или двухсторонний скотч, такая фиксация не продержится долго. Лучше всего закрепите короба дюбелями с шурупами.
- Проводники уложите в короба и закройте крышки. Концы проводов остались выведенными к монтажным коробкам и коммутационным аппаратам.
Скрытая прокладка проводов
- Подготовленные штробы очистите от пыли, это можно сделать обычным веником или пылесосом.
- Уложите в штробы провода, рекомендуется предварительно поместить их в гофрированные трубы из негорючих материалов.
- Закрепите уложенную в борозды электропроводку при помощи алебастрового раствора. Сначала зафиксируйте лишь в нескольких местах, чтобы не выпадал провод. Когда окончите полностью монтаж и проверите работу всей электросети, тогда уже замуруете провода окончательно.
- Концы проводов выведите в подрозетники и распределительные коробки.
- Также при помощи раствора алебастра зафиксируйте в подготовленных отверстиях монтажные коробки и подрозетники.
Завершающий этап
Не забывайте, что перед выполнением любых работ, связанных с электричеством, необходимо обезопасить рабочее место – снять напряжение и проверить его отсутствие.
Осталось только всё скоммутировать. Установите розетки, выключатели, светильники. Произведите все необходимые соединения в распределительных коробках.
Подайте напряжение и проверьте работу всей системы. Если всё работает правильно, можете заделывать штробы.
Как видите, электропроводка в квартире, выполненная своими руками, это вполне реально. Надеемся, что пошаговая инструкция составления схемы, подсчёта нагрузки, монтажа щитка и проводки, поможет вам сделать всё правильно. Если сомневаетесь, то лучше обратитесь за помощью специалистов.