Лампы дневного света (ЛДС) широко применяются для освещения как больших площадей общественных помещений, так и в качестве бытовых источников света. 
Принцип действия лампы дневного света
Принципиальное отличие ЛДС от лампы накаливания в том, что преобразование электроэнергии в свет происходит благодаря протеканию тока через пары ртути, смешанные с инертным газом в колбе. Ток начинает протекать после пробоя газа высоким напряжением, приложенным к электродам лампы.


- Дроссель.
- Колба лампы.
- Люминесцентный слой.
- Контакты стартера.
- Электроды стартера.
- Корпус стартера.
- Биметаллическая пластина.
- Газ.
- Нити накала лампы.
- Ультрафиолетовое излучение.
- Ток разряда.
Образующееся ультрафиолетовое излучение лежит в невидимой для человеческого глаза части спектра. Для его преобразования в видимый световой поток стенки колбы покрывают специальным слоем, люминофором. Меняя состав этого слоя можно получать разные световые оттенки.
Перед непосредственным запуском ЛДС электроды на её концах разогреваются прохождением через них тока или же за счёт энергии тлеющего разряда.
Высокое напряжения пробоя обеспечивает ПРА, который может быть собран по известной традиционной схеме или же иметь более сложную конструкцию.
Принцип действия стартера
На рис. 1 представлено типовое подключение ЛДС со стартером S и дросселем L. К1, К2 – электроды лампы; С1 – косинусный конденсатор, С2 – фильтрующий конденсатор. Обязательным элементом таких схем является дроссель (катушка индуктивности) и стартер (прерыватель). В качестве последнего зачастую используется неоновая лампа с биметаллическими пластинами. Для улучшения низкого коэффициента мощности из-за наличия индуктивности дросселя применяют входной конденсатор (С1 на рис.1).


Рис. 1 Функциональная схема подключения ЛДС
Фазы запуска ЛДС следующие:
1) Разогрев электродов лампы. В этой фазе ток течёт по цепи «Сеть – L – К1 – S – К2 – Сеть». В этом режиме стартер начинает хаотично замыкаться / размыкаться.
2) В момент разрыва цепи стартером S энергия магнитного поля, накопленная в дросселе L, в виде высокого напряжения прикладывается к электродам лампы. Происходит электрический пробой газа внутри лампа.
3) В режиме пробоя сопротивление лампы ниже, чем сопротивление ветви стартера. Поэтому ток течёт по контуру «Сеть – L – К1 – К2 – Сеть». В этой фазе дроссель L выполняет роль реактивного токоограничивающего сопротивления.
Недостатки традиционной схемы пуска ЛДС: звуковой шум, мерцание с частотой 100 Гц, увеличенное время пуска, низкий КПД.
Принцип действия ЭПРА
Электронные ПРА (ЭПРА) используют потенциал современной силовой электроники и являются более сложными, но и более функциональными схемами. Такие устройства позволяют контролировать три фазы запуска и регулировать световой поток. В результате повышается срок службы лампы. Также, из-за питания лампы током более высокой частоты (20÷100 кГц) отсутствует видимое мерцание. Упрощённая схема одной из популярных топологий ЭПРА приведена на рис. 2.


Рис. 2 Упрощённая принципиальная схема ЭПРА
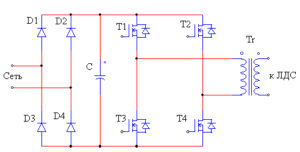
На рис. 2 D1-D4 – выпрямитель сетевого напряжения, С – фильтрующий конденсатор, Т1-Т4 – транзисторный мостовой инвертор с трансформатором Tr. Опционально в ЭПРА могут присутствовать входной фильтр, схема коррекции коэффициента мощности, дополнительные резонансные дроссели и конденсаторы.
Полная принципиальная схема одного из типовых современных ЭПРА приведена на рис 3.


Рис. 3 Схема ЭПРА BIGLUZ
В схеме (рис. 3) присутствуют основные выше названные элементы: мостовой диодный выпрямитель, фильтрующий конденсатор в звене постоянного тока (С4), инвертор в виде двух транзисторов с обвязкой (Q1, R5, R1) и (Q2, R2, R3), дроссель L1, трансформатор с тремя выводами TR1, схема запуска и резонансный контур лампы. Две обмотки трансформатора служат для включения транзисторов, третья обмотка входит в состав резонансного контура ЛДС.
Способы пуска ЛДС без специализированного ПРА
При выходе из строя лампы дневного света возможны две причины:
1) Из строя вышел стартер. В таком случае достаточно заменить стартер. Эту же операцию следует провести при появлении мерцания лампы. В таком случае при визуальном осмотре на колбе ЛДС нет характерных затемнений.
2) Из строя вышла сама ЛДС. Возможно, перегорела одна из нитей электродов. При визуальном осмотре могут быть заметны потемнения на концах колбы. Здесь можно применить известные схемы запуска для продолжения эксплуатации лампы даже с перегоревшими нитями электродов.
Для экстренного запуска лампу дневного света можно подключить без стартера по схеме, приведенной ниже (рис. 4). Здесь роль стартера выполняет пользователь. Контакт S1 замыкается на весь период работы лампы. Кнопка S2 замыкается на 1-2 секунды для зажигания лампы. При размыкании S2 напряжение на ней в момент зажигания будет значительно больше сетевого! Поэтому при работе с такой схемой следует проявлять повышенную осторожность.


Рис. 4 Принципиальная схема запуска ЛДС без стартера
Если требуется быстро зажечь ЛДС со сгоревшими нитями накала, то необходимо собрать схему (рис. 5).


Рис. 5 Принципиальная схема подключения ЛДС со сгоревшей нитью накала
Для дросселя 7-11 Вт и лампы 20 Вт номинал С1 – 1 мкФ с напряжением 630 В. Конденсаторы с меньшим номиналом использовать не стоит.
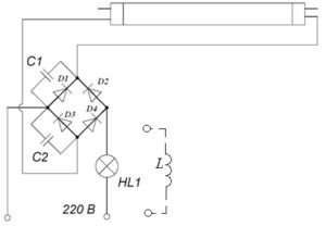
Автоматические схемы запуска ЛДС без дросселя предполагают использование в качестве ограничителя тока обыкновенной лампы накаливания. Такие схемы, как правило, являются умножителями и питают ЛДС постоянным током, что вызывает ускоренный износ одного из электродов. Однако подчеркнём, что такие схемы позволяют некоторое время запускать даже ЛДС со сгоревшими нитями электродов. Типовая схема подключения люминесцентной лампы без дросселя приведена на рис. 6.


Рис. 6. Структурная схема подключения ЛДС без дросселя


Рис. 7 Напряжение на ЛДС подключенной по схеме (рис. 6) до момента пуска
Как видим на рис. 7 напряжение на лампе в момент пуска доходит до уровня 700 В примерно за 25 мс. Вместо лампы накаливания HL1 можно использовать дроссель. Конденсаторы в схеме рис. 6 следует выбирать в пределах 1÷20 мкФ с напряжением не меньше 1000В. Диоды должны быть рассчитаны на обратное напряжение 1000В и ток от 0,5 до 10 А в зависимости от мощности лампы. Для лампы мощностью 40 Вт будет достаточно диодов, рассчитанных на ток 1.
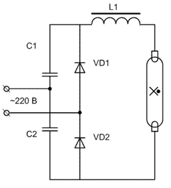
Ещё один вариант схемы запуска показан на рис 8.


Рис. 8 Принципиальная схема умножителя с двумя диодами
Параметры конденсаторов и диодов в схеме на рис. 8 аналогичны схеме на рис. 6.
Один из вариантов использования низковольтного источника питания приведен на рис. 9. На основе такой схемы (рис. 9) можно собрать беспроводную лампу дневного света на аккумуляторе.


Рис. 9 Принципиальная схема подключения ЛДС от низковольтного источника питания
Для вышеприведенной схемы необходимо намотать трансформатор с тремя обмотками на одном сердечнике (кольце). Как правило, первой наматывают первичную обмотку, затем главную вторичную (на схеме обозначена, как III). Для транзистора необходимо предусмотреть охлаждение.
Заключение
При выходе из строя стартера лампы дневного света можно применить экстренный «ручной» запуск или простые схемы питания постоянным током. При использовании схем на основе умножителей напряжения есть возможность запускать лампу без дросселя, используя лампу накаливания. Работая на постоянном токе, отсутствует мерцание и шум ЛДС, однако уменьшается срок службы.
В случае перегорания одной или двух нитей катодов люминесцентной лампы её можно продолжать эксплуатировать некоторое время, применяя упомянутые схемы с повышенным напряжением.